Мотор-редуктор ПР 1210
- Мощность двигателя, кВт от 5.5 до 45
- Обороты на выходе n вых, об/мин от 216 до 1020
- Крутящий момент на вых. валу Тном, Нхм от 174 до 990
Универсальные соосные мотор-редукторы ПР 1210 предназначены для применения в приводах различных машин и механизмах для изменения крутящих моментов и частоты вращения.
При использовании электродвигателей с числом оборотов 3000 об/мин со всеми передаточными числами и 1500 об/мин с передаточными числами редуктора до 15 возможно появление повышенного шума и вибрации. Рекомендуем не использовать данные сочетания оборотов электродвигателя и передаточных чисел.
Сроки: Доставка по России в среднем занимает от 3 до 10 рабочих дней, но может варьироваться в зависимости от региона. Для удалённых регионов, таких как Западная Якутия, сроки согласовываются индивидуально.
Условия отгрузки: Отгрузка с производства и передача в транспортную компанию осуществляется в день готовности заказа.
Способы доставки: Доставка осуществляется исключительно транспортными компаниями. Бесплатно доставляем заказ до терминала ТК.
Стоимость доставки: Рассчитывается индивидуально и зависит от региона, веса и габаритов товара.
Способы оплаты: Только безналичный расчёт.
Оплата производится согласно согласованным условиям поставки.
Если требуется дополнительная информация, уточните у нашего менеджера!
Доступные способы доставки
- Доставка до терминала в городе получателя
Вы выбираете нужную транспортную компанию, мы отправляем заказ, а вы забираете его с ближайшего терминала в вашем городе. Это удобно, если рядом с вами есть отделение — можно забрать в удобное время и не переплачивать за адресную доставку.
- Адресная доставка до получателя
Не нужно думать, как организовать перевозку тяжелого оборудования — мы всё сделаем за вас. Привезём редуктор точно по адресу: на производство или прямо на объект. Учитываем особенности груза и условия транспортировки, чтобы доставка прошла быстро, удобно и без лишней суеты.
- Самовывоз с терминала Деловые Линий или ПЭК в Челябинске
Для клиентов из Челябинска доступен самовывоз с терминала транспортной компании. Информация о дате и точке выдачи передаётся заранее. Процесс организован максимально просто и понятно: получение груза — без задержек и лишних действий.

Условные обозначения
|
Мотор-редуктор ПР 128 (Ц) - 3,08 - 455 -3x1400, M1. |
|||||
| ПР 128 | (Ц) | 3,08 | 455 | 3х1400 | M1 |
|
Модель и типоразмер редуктора |
Исполнение редуктора |
Передаточное число |
Обороты на выходном валу редуктора Nвых, об/мин |
Мощность и обороты электродвигателя |
Монтажное исполнение |
Модели редукторов
|
Модель редуктора |
Особенности исполнения | |
|
ПР 12 (Ц) |
|
Выходной цилиндрический вал Монтаж редуктора c помощью крепежных отверстий на корпусе редуктора |
|
ПР 12 (ФЦ) |
|
Выходной цилиндрический вал Монтаж редуктора с помощью фланца на выходном валу |
Соосно-цилиндрические мотор-редуктор ПР 1210. Монтажные положения и места установки сапунов
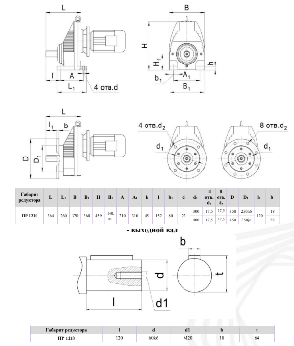
Соосно-цилиндрические мотор-редуктор ПР 1210. Габариты и присоединительные размеры
РЕКОМЕНДУЕМЫЕ МАРКИ МАСЕЛ
|
Температура окружающей среды, °С |
Марка масел |
Комментарий |
|
|
-10 |
+40 |
ИТД-100 |
Для эксплуатации в отапливаемом помещении. Замена масла не реже, чем 1 раз в год. |
|
-30 |
+40 |
ТСП-10 |
Срок эксплуатации масла не менее 2 лет. НЕ СМЕШИВАТЬ с другими типами масел. |
|
-40 |
+40 |
ТСЗП-8 |
Срок эксплуатации масла не менее 2 лет. НЕ СМЕШИВАТЬ с другими типами масел. |
ОБЪЕМ ЗАЛИВАЕМОГО МАСЛА (в литрах)
.png)
Инструкция по установке
Перед установкой редуктора необходимо ознакомится с приведенными рекомендациями:
- Проверьте правильность направления вращения выходного вала редуктора перед установкой редуктора.
- Перед присоединением частей редуктора через фланец проверьте: диаметры сопрягаемых валов и втулок, размеры и наличие шпоночных соединений.Убедитесь, что размеры сопрягаемых деталей не имеют отклонений.
- Прочно закрепить редуктор на механизме, для исключения вибраций.
- Перед установкой электродвигателя в редуктор добавьте небольшое количество смазки во входное отверстие червячного вала и на шпоночный паз. Это облегчит сборку редуктора и защитит узел от коррозии.
- При установке на вал редуктора шестерни, шкива ременной или звездочки цепной передачи необходимо разместить их как можно ближе к подшипнику редуктора, чтобы избежать появления на валу изгибающего момента от радиальной нагрузки
- Используйте дополнительное крепление при использовании двигателей, которые имеют вес или габарит больший, чем типовые двигатели.
Инструкция по эксплуатации
- Перед использованием редуктора проверьте следующие параметры редуктора на соответствие требуемым для данного механизма: габарит редуктора, передаточное число, размер присоединительных фланцев, валов и т. д.
- Оптимальным является использование привода редуктора с числом оборотов на входном валу редуктора не более 1500 мин-1
- При пуске механизма нагружайте редуктор постепенно, избегая резкого повышения нагрузки. Никогда не запускайте редуктор с полной нагрузкой.
- Все редукторы комплектуются пробкой-отдушиной. После транспортировки редуктора и установки его на механизм необходимо установить пробку-отдушину в нужное положение. При отсутствии отдушины на редукторе во время эксплуатации — ГАРАНТИЯ на редуктор ПРЕКРАЩАЕТСЯ.
- По возможности защитите редуктор от атмосферного воздействия и интенсивного солнечного света. Обеспечьте условия и пространство вокруг редуктора для естественного воздушного охлаждения корпуса редуктора.
- В случае длительного хранения (4–6 месяцев) редукторов без масла, рекомендуем перед заливкой масла сменить все уплотнительные манжеты и кольца, так как они могли утратить свои свойства.
Ключевые преимущества редукторов серии ПР
Видео-отзывы
Ознакомиться с отзывами
Команда экспертов
по приводной технике
Луканина Наталья
Руководитель отдела продаж
Шишук Виктория
Руководитель фронт-линии
Сиражетдинов Дмитрий
Руководитель отдела клиентского сервиса
Снигир Олег
Ведущий менеджер по продажам
Киселев Егор
Менеджер по продажам
Друченко Александр
Менеджер по продажам
Новиков Максим
Менеджер по продажам
Тыщенко Иван
Менеджер по продажам
Уржунцев Александр
Менеджер по продажам
Мы не просто продаём редукторы — нам доверяют, потому что решаем задачи быстро и точно
Вопрос-ответ
Читайте наши статьи о мотор-редукторах и их применении
Оставьте свои контактные данные и наши специалисты свяжутся с вами в течение 15 минут.