Черепанов Антон Владимирович
Основатель компании
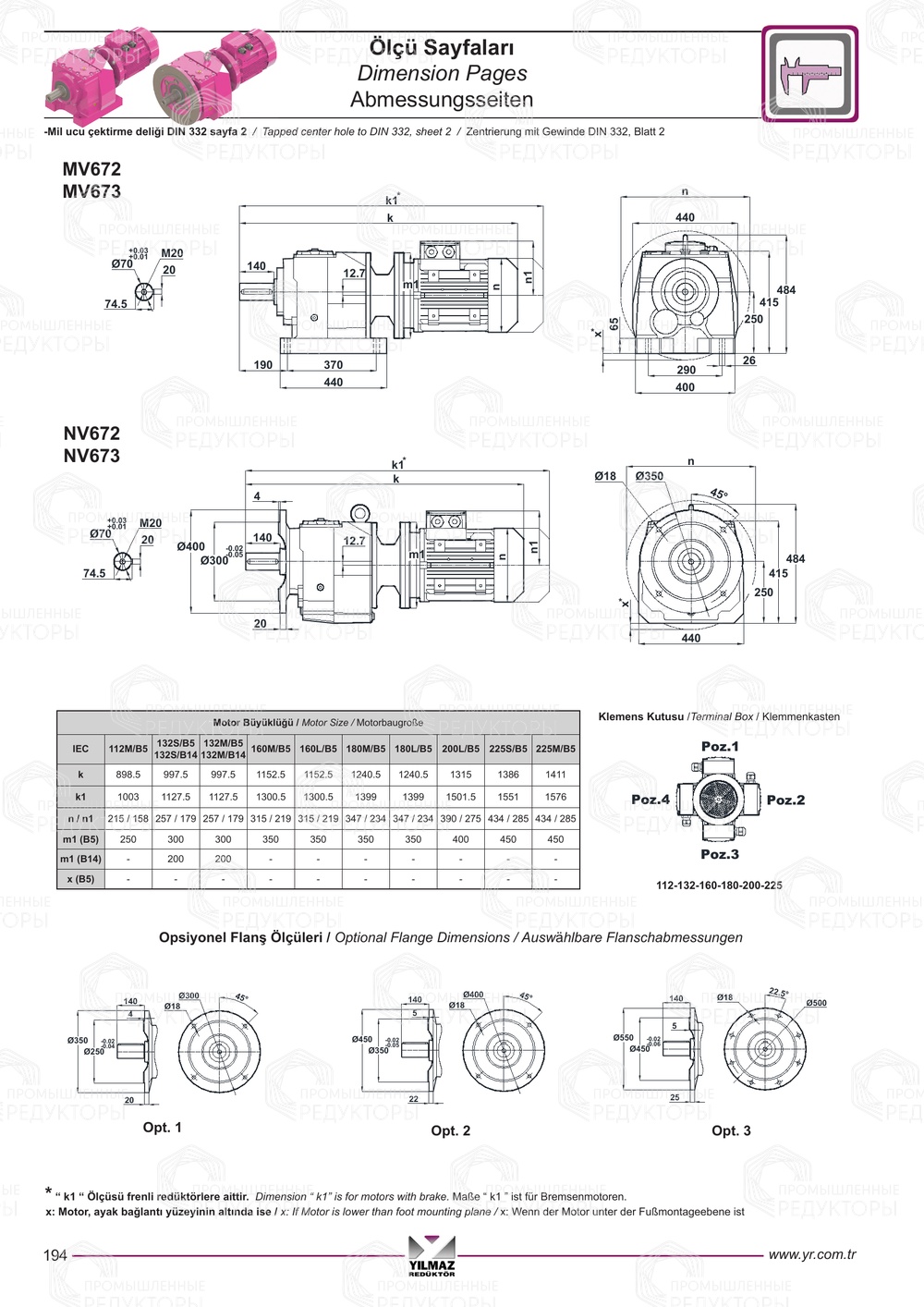
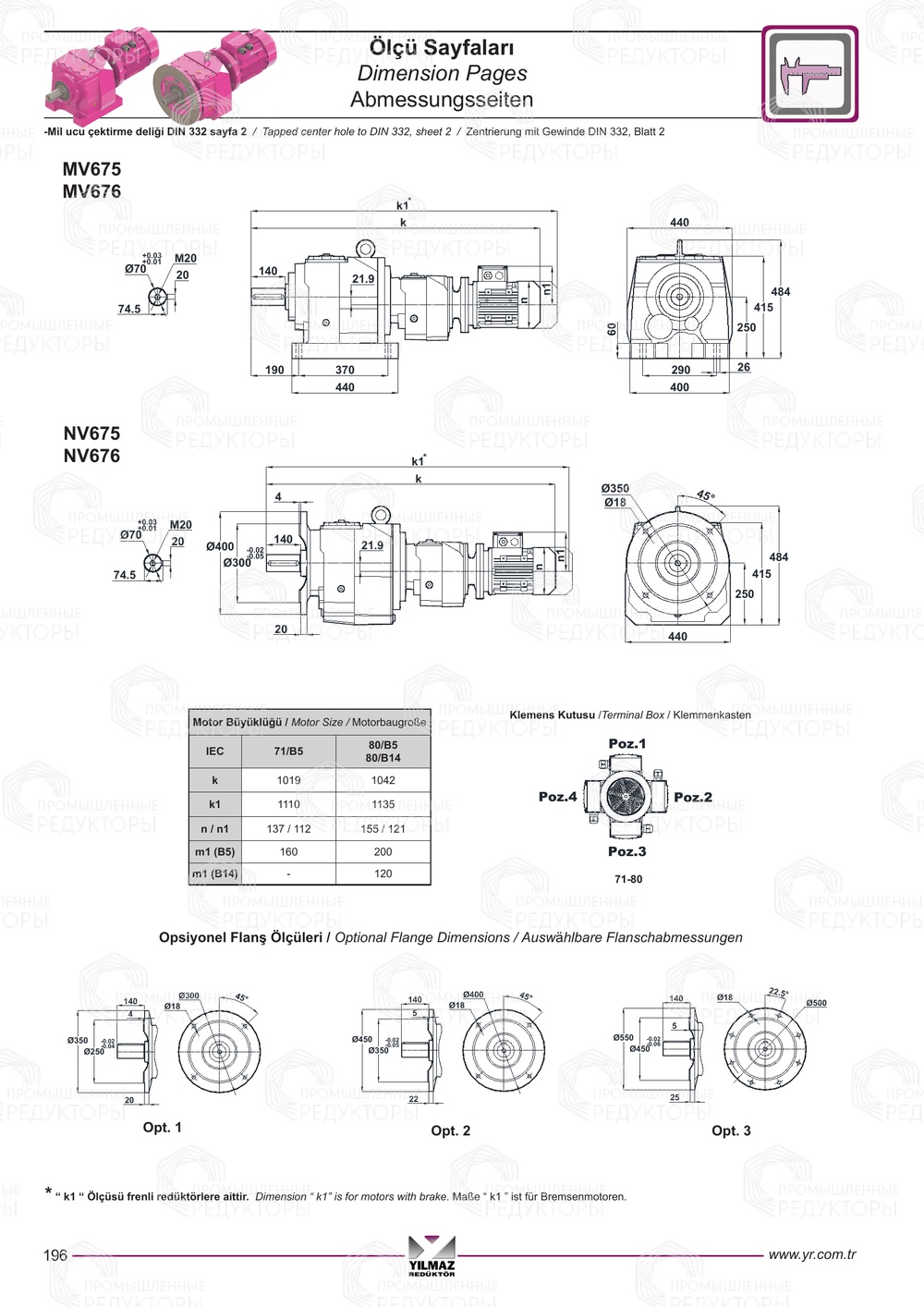
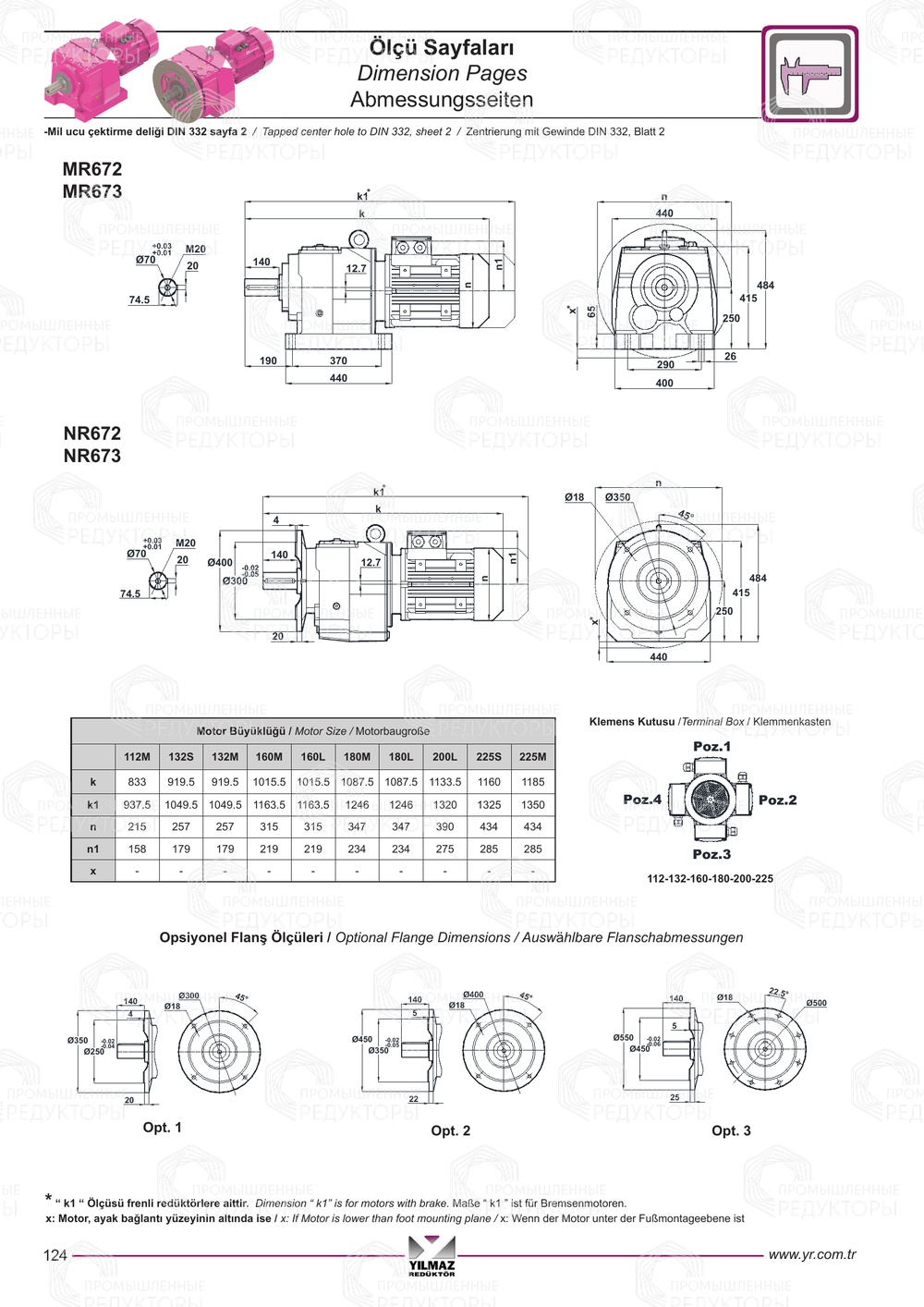
Редуктор N 672/673/674/675/676 от турецкого производителя Yilmaz представляет собой высоконадежное соосное устройство, предназначенное для передачи мощности в промышленных и строительных механизмах. Конструкция обеспечивает передаточное отношение от 1:1 до 1:10, что позволяет адаптировать его под различные нагрузки и скорости вращения. Корпус изготовлен из высокопрочной стали, устойчивой к коррозии и механическим воздействиям, а использование качественных подшипников и зубчатых передач гарантирует долгий срок службы без потери КПД. Уплотнительные элементы выполнены из эластомеров, обеспечивая герметичность и защиту от загрязнений в тяжелых условиях эксплуатации.
Особенностью редуктора N 672/673/674/675/676 является его модульная конструкция, позволяющая легко заменять изношенные детали без полной разборки системы. Оптимизированная геометрия шестерен снижает уровень вибраций и шума, что особенно важно для работы в закрытых помещениях. Производитель Yilmaz применяет строгий контроль качества на всех этапах производства, что подтверждается сертификатами соответствия международным стандартам. Редуктор совместим с большинством промышленных двигателей и может использоваться в конвейерах, станках, насосных станциях и других механизмах, требующих стабильной и эффективной передачи крутящего момента.
Сроки: Доставка по России в среднем занимает от 3 до 10 рабочих дней, но может варьироваться в зависимости от региона. Для удалённых регионов, таких как Западная Якутия, сроки согласовываются индивидуально.
Условия отгрузки: Отгрузка с производства и передача в транспортную компанию осуществляется в день готовности заказа.
Способы доставки: Доставка осуществляется исключительно транспортными компаниями. Бесплатно доставляем заказ до терминала ТК.
Стоимость доставки: Рассчитывается индивидуально и зависит от региона, веса и габаритов товара.
Способы оплаты: Только безналичный расчёт.
Оплата производится согласно согласованным условиям поставки.
Если требуется дополнительная информация, уточните у нашего менеджера!
Вы выбираете нужную транспортную компанию, мы отправляем заказ, а вы забираете его с ближайшего терминала в вашем городе. Это удобно, если рядом с вами есть отделение — можно забрать в удобное время и не переплачивать за адресную доставку.
Не нужно думать, как организовать перевозку тяжелого оборудования — мы всё сделаем за вас. Привезём редуктор точно по адресу: на производство или прямо на объект. Учитываем особенности груза и условия транспортировки, чтобы доставка прошла быстро, удобно и без лишней суеты.
Для клиентов из Челябинска доступен самовывоз с терминала транспортной компании. Информация о дате и точке выдачи передаётся заранее. Процесс организован максимально просто и понятно: получение груза — без задержек и лишних действий.
Черепанов Антон Владимирович
Основатель компании
Луканина Наталья
Руководитель отдела продаж
Шишук Виктория
Руководитель фронт-линии
Сиражетдинов Дмитрий
Руководитель отдела клиентского сервиса
Снигир Олег
Ведущий менеджер по продажам
Киселев Егор
Менеджер по продажам
Друченко Александр
Менеджер по продажам
Новиков Максим
Менеджер по продажам
Тыщенко Иван
Менеджер по продажам
Уржунцев Александр
Менеджер по продажам
Вопрос-ответ
Читайте наши статьи о мотор-редукторах и их применении