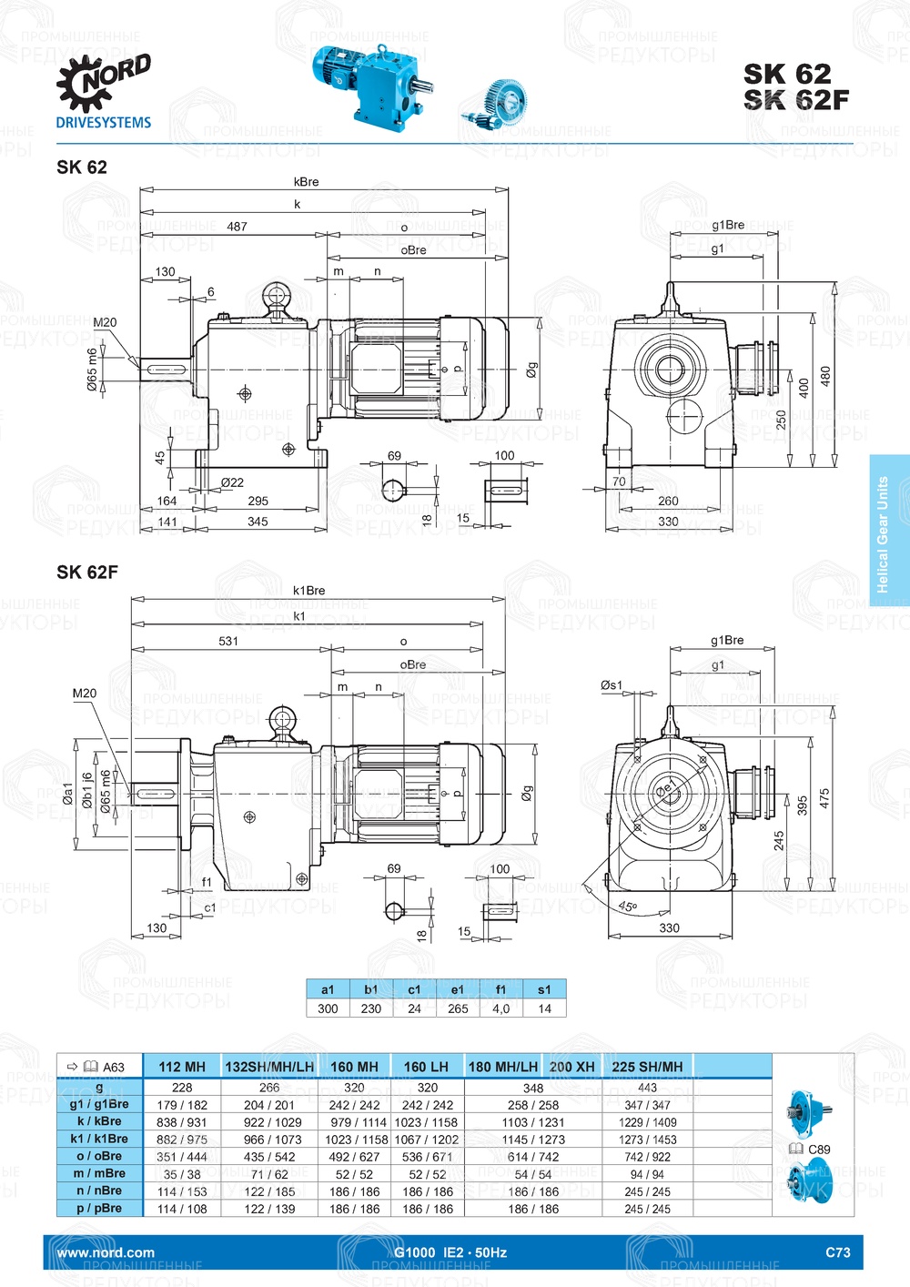
Соосный мотор-редуктор Nord SK 62
- Мощность двигателя, кВт от 0.75 до 45
- Обороты на выходе n вых, об/мин от 2.7 до 299
- Крутящий момент на вых. валу Тном, Нхм от 760 до 4807
Производим редукторы под собственной маркой ПР - полные аналоги Nord SK 62
- 95% совместимость без доработок
- Быструю поставку со склада
- Привлекательную цену без потери качеств
Редуктор SK 62 от немецкого производителя Nord представляет собой высокотехнологичное решение для передачи мощности в различных промышленных приложениях. Этот редуктор оснащен двумя ступенями передачи, что обеспечивает высокий коэффициент передачи и эффективное снижение скорости вращения. Корпус редуктора выполнен из высококачественной стали, что гарантирует долговечность и устойчивость к механическим нагрузкам. Внутренние компоненты, включая шестерни и подшипники, изготовлены из специальных сплавов, что минимизирует износ и повышает общую надежность устройства. Благодаря оптимизированной конструкции, редуктор SK 62 обеспечивает высокую точность передачи и минимальные потери мощности, что особенно важно для систем, требующих точного позиционирования и стабильной работы.
Редуктор SK 62 обладает широким диапазоном передаточных чисел, что позволяет адаптировать его под различные условия эксплуатации. Встроенная система смазки обеспечивает постоянное поддержание оптимального уровня смазки, что продлевает срок службы редуктора и снижает необходимость в техническом обслуживании. Высокая степень защиты от пыли и влаги делает редуктор SK 62 идеальным выбором для использования в агрессивных средах. Производитель Nord, известный своим качеством и инновационными решениями, гарантирует, что редуктор SK 62 будет надежным партнером в любых условиях эксплуатации. Благодаря использованию передовых технологий и строгому контролю качества, редуктор SK 62 обеспечивает стабильную и эффективную работу, что делает его незаменимым элементом в современных промышленных системах.
Сроки: Доставка по России в среднем занимает от 3 до 10 рабочих дней, но может варьироваться в зависимости от региона. Для удалённых регионов, таких как Западная Якутия, сроки согласовываются индивидуально.
Условия отгрузки: Отгрузка с производства и передача в транспортную компанию осуществляется в день готовности заказа.
Способы доставки: Доставка осуществляется исключительно транспортными компаниями. Бесплатно доставляем заказ до терминала ТК.
Стоимость доставки: Рассчитывается индивидуально и зависит от региона, веса и габаритов товара.
Способы оплаты: Только безналичный расчёт.
Оплата производится согласно согласованным условиям поставки.
Если требуется дополнительная информация, уточните у нашего менеджера!
Доступные способы доставки
- Доставка до терминала в городе получателя
Вы выбираете нужную транспортную компанию, мы отправляем заказ, а вы забираете его с ближайшего терминала в вашем городе. Это удобно, если рядом с вами есть отделение — можно забрать в удобное время и не переплачивать за адресную доставку.
- Адресная доставка до получателя
Не нужно думать, как организовать перевозку тяжелого оборудования — мы всё сделаем за вас. Привезём редуктор точно по адресу: на производство или прямо на объект. Учитываем особенности груза и условия транспортировки, чтобы доставка прошла быстро, удобно и без лишней суеты.
- Самовывоз с терминала Деловые Линий или ПЭК в Челябинске
Для клиентов из Челябинска доступен самовывоз с терминала транспортной компании. Информация о дате и точке выдачи передаётся заранее. Процесс организован максимально просто и понятно: получение груза — без задержек и лишних действий.
Мотор-редуктор Nord SK 62

Ключевые преимущества редукторов серии ПР
Видео-отзывы
Ознакомиться с отзывами
Команда экспертов
по приводной технике
Луканина Наталья
Руководитель отдела продаж
Шишук Виктория
Руководитель фронт-линии
Сиражетдинов Дмитрий
Руководитель отдела клиентского сервиса
Снигир Олег
Ведущий менеджер по продажам
Киселев Егор
Менеджер по продажам
Друченко Александр
Менеджер по продажам
Новиков Максим
Менеджер по продажам
Тыщенко Иван
Менеджер по продажам
Уржунцев Александр
Менеджер по продажам
Мы не просто продаём редукторы — нам доверяют, потому что решаем задачи быстро и точно
Вопрос-ответ
Читайте наши статьи о мотор-редукторах и их применении
Оставьте свои контактные данные и наши специалисты свяжутся с вами в течение 15 минут.