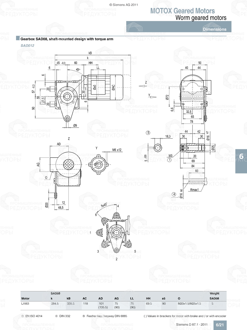
Червячный мотор-редуктор Flender S08
- Мощность двигателя, кВт от 0.09 до 0.55
- Обороты на выходе n вых, об/мин от 14 до 373.3
- Крутящий момент на вых. валу Тном, Нхм от 7 до 50
Производим редукторы под собственной маркой ПР - полные аналоги Flender S08
- 95% совместимость без доработок
- Быструю поставку со склада
- Привлекательную цену без потери качеств
Редуктор S08 от Flender, производителя из Германии, представляет собой высокотехнологичное решение для передачи мощности в промышленных установках. Этот механизм отличается превосходной надежностью и долговечностью, что достигается за счет использования высококачественных материалов и передовых технологий производства. Редуктор S08 обеспечивает высокую эффективность передачи мощности, что позволяет значительно снизить потери энергии и повысить общую производительность оборудования. Благодаря оптимальной конструкции и тщательной балансировке, редуктор S08 минимизирует вибрации и шум, что особенно важно для работы в условиях повышенных нагрузок. Встроенные системы смазки и охлаждения обеспечивают стабильную работу даже в экстремальных условиях эксплуатации, что делает редуктор S08 идеальным выбором для самых требовательных промышленных задач.
Одним из ключевых преимуществ редуктора S08 является его универсальность и возможность адаптации под различные типы оборудования. Благодаря широкому диапазону передаточных чисел и высокой точности изготовления, редуктор S08 может быть легко интегрирован в существующие производственные линии, обеспечивая при этом максимальную эффективность и надежность. Производитель Flender, известный своими инновационными решениями и строгим контролем качества, гарантирует, что каждый редуктор S08 проходит тщательную проверку на всех этапах производства. Это позволяет обеспечить высокую степень надежности и долговечности продукта, что особенно важно для промышленных предприятий, где любые простои могут привести к значительным финансовым потерям.
Сроки: Доставка по России в среднем занимает от 3 до 10 рабочих дней, но может варьироваться в зависимости от региона. Для удалённых регионов, таких как Западная Якутия, сроки согласовываются индивидуально.
Условия отгрузки: Отгрузка с производства и передача в транспортную компанию осуществляется в день готовности заказа.
Способы доставки: Доставка осуществляется исключительно транспортными компаниями. Бесплатно доставляем заказ до терминала ТК.
Стоимость доставки: Рассчитывается индивидуально и зависит от региона, веса и габаритов товара.
Способы оплаты: Только безналичный расчёт.
Оплата производится согласно согласованным условиям поставки.
Если требуется дополнительная информация, уточните у нашего менеджера!
Доступные способы доставки
- Доставка до терминала в городе получателя
Вы выбираете нужную транспортную компанию, мы отправляем заказ, а вы забираете его с ближайшего терминала в вашем городе. Это удобно, если рядом с вами есть отделение — можно забрать в удобное время и не переплачивать за адресную доставку.
- Адресная доставка до получателя
Не нужно думать, как организовать перевозку тяжелого оборудования — мы всё сделаем за вас. Привезём редуктор точно по адресу: на производство или прямо на объект. Учитываем особенности груза и условия транспортировки, чтобы доставка прошла быстро, удобно и без лишней суеты.
- Самовывоз с терминала Деловые Линий или ПЭК в Челябинске
Для клиентов из Челябинска доступен самовывоз с терминала транспортной компании. Информация о дате и точке выдачи передаётся заранее. Процесс организован максимально просто и понятно: получение груза — без задержек и лишних действий.
Мотор-редуктор Flender S08





Ключевые преимущества редукторов серии ПР
Видео-отзывы
Ознакомиться с отзывами
Команда экспертов
по приводной технике
Луканина Наталья
Руководитель отдела продаж
Шишук Виктория
Руководитель фронт-линии
Сиражетдинов Дмитрий
Руководитель отдела клиентского сервиса
Снигир Олег
Ведущий менеджер по продажам
Киселев Егор
Менеджер по продажам
Друченко Александр
Менеджер по продажам
Новиков Максим
Менеджер по продажам
Тыщенко Иван
Менеджер по продажам
Уржунцев Александр
Менеджер по продажам
Мы не просто продаём редукторы — нам доверяют, потому что решаем задачи быстро и точно
Вопрос-ответ
Читайте наши статьи о мотор-редукторах и их применении
Оставьте свои контактные данные и наши специалисты свяжутся с вами в течение 15 минут.