Черепанов Антон Владимирович
Основатель компании
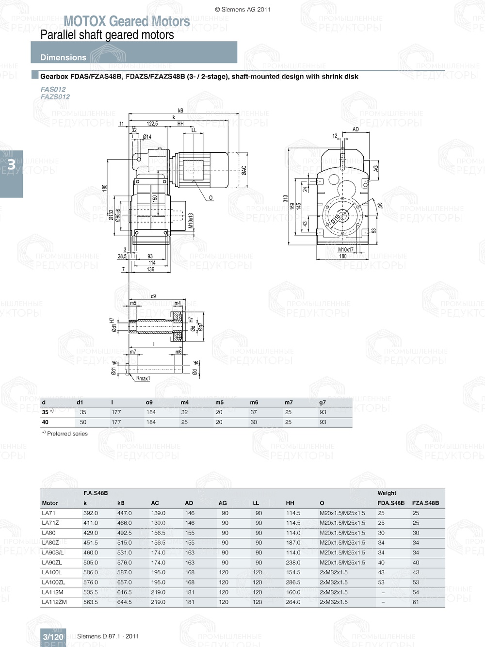
Редуктор FDZ/FZZ48B от Flender представляет собой высокотехнологичное решение для передачи мощности в промышленных установках. Изготовленный в Германии, этот редуктор обеспечивает высокую надежность и долговечность благодаря использованию качественных материалов и передовых технологий производства. Конструкция редуктора FDZ/FZZ48B включает в себя цилиндрические шестерни, которые обеспечивают плавную и эффективную передачу крутящего момента. Благодаря оптимальной геометрии зубьев и точной обработке деталей, редуктор демонстрирует минимальные потери на трение и высокую эффективность работы. Это позволяет значительно снизить эксплуатационные расходы и повысить общую производительность оборудования.
Редуктор FDZ/FZZ48B от Flender также отличается высокой степенью защиты от внешних воздействий, что делает его идеальным выбором для эксплуатации в агрессивных средах. Встроенные системы смазки и охлаждения обеспечивают стабильную работу редуктора даже при длительных нагрузках. Благодаря модульной конструкции, редуктор FDZ/FZZ48B легко адаптируется под различные требования и условия эксплуатации, что делает его универсальным решением для широкого спектра промышленных задач. Высокое качество и надежность редуктора FDZ/FZZ48B подтверждены многочисленными сертификатами и положительными отзывами от клиентов по всему миру. Выбирая редуктор FDZ/FZZ48B, вы получаете не только высокотехнологичное оборудование, но и гарантию долговечной и бесперебойной работы вашего производственного процесса.
Сроки: Доставка по России в среднем занимает от 3 до 10 рабочих дней, но может варьироваться в зависимости от региона. Для удалённых регионов, таких как Западная Якутия, сроки согласовываются индивидуально.
Условия отгрузки: Отгрузка с производства и передача в транспортную компанию осуществляется в день готовности заказа.
Способы доставки: Доставка осуществляется исключительно транспортными компаниями. Бесплатно доставляем заказ до терминала ТК.
Стоимость доставки: Рассчитывается индивидуально и зависит от региона, веса и габаритов товара.
Способы оплаты: Только безналичный расчёт.
Оплата производится согласно согласованным условиям поставки.
Если требуется дополнительная информация, уточните у нашего менеджера!
Вы выбираете нужную транспортную компанию, мы отправляем заказ, а вы забираете его с ближайшего терминала в вашем городе. Это удобно, если рядом с вами есть отделение — можно забрать в удобное время и не переплачивать за адресную доставку.
Не нужно думать, как организовать перевозку тяжелого оборудования — мы всё сделаем за вас. Привезём редуктор точно по адресу: на производство или прямо на объект. Учитываем особенности груза и условия транспортировки, чтобы доставка прошла быстро, удобно и без лишней суеты.
Для клиентов из Челябинска доступен самовывоз с терминала транспортной компании. Информация о дате и точке выдачи передаётся заранее. Процесс организован максимально просто и понятно: получение груза — без задержек и лишних действий.






Черепанов Антон Владимирович
Основатель компании
Луканина Наталья
Руководитель отдела продаж
Шишук Виктория
Руководитель фронт-линии
Сиражетдинов Дмитрий
Руководитель отдела клиентского сервиса
Снигир Олег
Ведущий менеджер по продажам
Киселев Егор
Менеджер по продажам
Друченко Александр
Менеджер по продажам
Новиков Максим
Менеджер по продажам
Тыщенко Иван
Менеджер по продажам
Уржунцев Александр
Менеджер по продажам
Вопрос-ответ
Читайте наши статьи о мотор-редукторах и их применении