Черепанов Антон Владимирович
Основатель компании
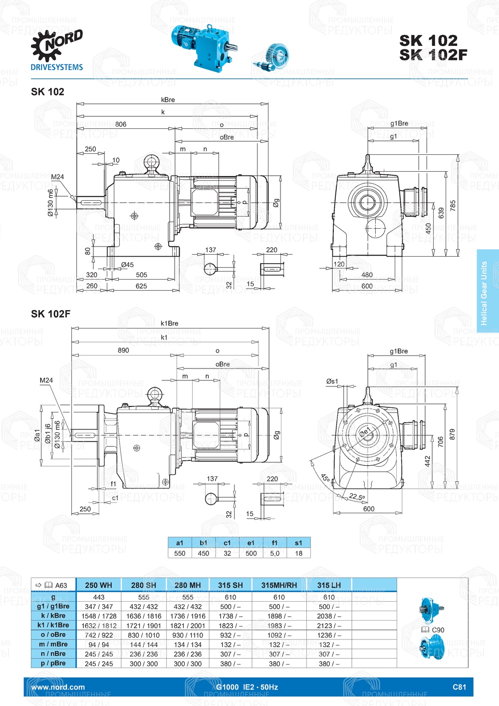
Редуктор SK 102 от немецкого производителя Nord представляет собой высокотехнологичное решение для передачи мощности в промышленных установках. Этот редуктор характеризуется высокой эффективностью и надежностью, что обеспечивается использованием качественных материалов и современных технологий производства. SK 102 обладает высоким коэффициентом полезного действия, что позволяет минимизировать потери энергии и повысить общую производительность системы. Внутренние компоненты редуктора выполнены из высокопрочных сплавов, что гарантирует долговечность и устойчивость к износу. Встроенная система смазки обеспечивает стабильную работу даже в условиях интенсивной эксплуатации, что особенно важно для промышленных приложений.
Одним из ключевых преимуществ редуктора SK 102 является его способность работать в широком диапазоне температур и условий окружающей среды. Это делает его идеальным выбором для использования в различных отраслях промышленности, включая металлургию, горнодобывающую промышленность и производство. Редуктор SK 102 также отличается простотой в обслуживании и ремонте, что снижает затраты на эксплуатацию и повышает общую экономическую эффективность. Высокое качество сборки и строгий контроль на всех этапах производства гарантируют, что каждый редуктор SK 102 будет соответствовать самым высоким стандартам надежности и долговечности. Таким образом, SK 102 от Nord является оптимальным выбором для тех, кто ищет надежное и эффективное решение для передачи мощности в своих промышленных установках.
Сроки: Доставка по России в среднем занимает от 3 до 10 рабочих дней, но может варьироваться в зависимости от региона. Для удалённых регионов, таких как Западная Якутия, сроки согласовываются индивидуально.
Условия отгрузки: Отгрузка с производства и передача в транспортную компанию осуществляется в день готовности заказа.
Способы доставки: Доставка осуществляется исключительно транспортными компаниями. Бесплатно доставляем заказ до терминала ТК.
Стоимость доставки: Рассчитывается индивидуально и зависит от региона, веса и габаритов товара.
Способы оплаты: Только безналичный расчёт.
Оплата производится согласно согласованным условиям поставки.
Если требуется дополнительная информация, уточните у нашего менеджера!
Вы выбираете нужную транспортную компанию, мы отправляем заказ, а вы забираете его с ближайшего терминала в вашем городе. Это удобно, если рядом с вами есть отделение — можно забрать в удобное время и не переплачивать за адресную доставку.
Не нужно думать, как организовать перевозку тяжелого оборудования — мы всё сделаем за вас. Привезём редуктор точно по адресу: на производство или прямо на объект. Учитываем особенности груза и условия транспортировки, чтобы доставка прошла быстро, удобно и без лишней суеты.
Для клиентов из Челябинска доступен самовывоз с терминала транспортной компании. Информация о дате и точке выдачи передаётся заранее. Процесс организован максимально просто и понятно: получение груза — без задержек и лишних действий.

Черепанов Антон Владимирович
Основатель компании
Луканина Наталья
Руководитель отдела продаж
Шишук Виктория
Руководитель фронт-линии
Сиражетдинов Дмитрий
Руководитель отдела клиентского сервиса
Снигир Олег
Ведущий менеджер по продажам
Киселев Егор
Менеджер по продажам
Друченко Александр
Менеджер по продажам
Новиков Максим
Менеджер по продажам
Тыщенко Иван
Менеджер по продажам
Уржунцев Александр
Менеджер по продажам
Вопрос-ответ
Читайте наши статьи о мотор-редукторах и их применении