Черепанов Антон Владимирович
Основатель компании
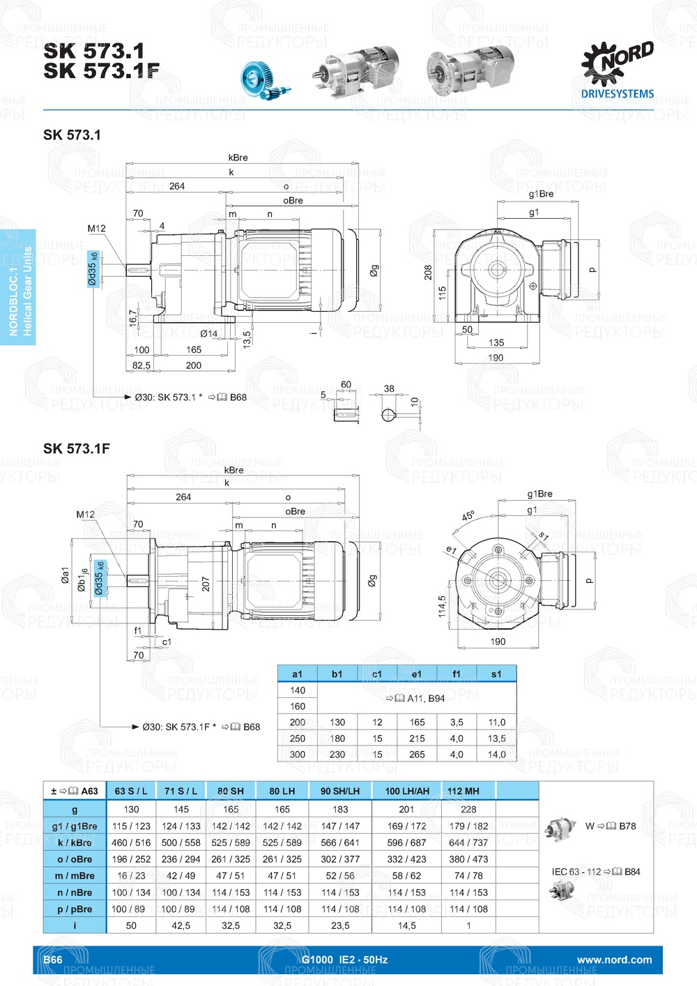
Редуктор SK 573.1 от немецкого производителя Nord представляет собой высокотехнологичное решение для передачи мощности в промышленных механизмах. Этот редуктор обеспечивает превосходную эффективность благодаря использованию высококачественных материалов и передовых технологий производства. Конструкция редуктора SK 573.1 включает в себя уникальные подшипники, которые минимизируют трение и износ, что значительно продлевает срок службы устройства. Благодаря оптимальному соотношению передаточных чисел, редуктор SK 573.1 способен обеспечить стабильную работу при высоких нагрузках, что делает его идеальным выбором для применения в тяжелых условиях эксплуатации.
Одним из ключевых преимуществ редуктора SK 573.1 является его высокая степень защиты от внешних воздействий, что обеспечивает надежную работу в агрессивных средах. Встроенные системы смазки и охлаждения позволяют поддерживать оптимальные условия работы, что снижает вероятность поломок и необходимость в частом обслуживании. Редуктор SK 573.1 также отличается компактными размерами и легким весом, что упрощает его установку и интеграцию в существующие системы. Благодаря этим характеристикам, редуктор SK 573.1 от Nord является идеальным выбором для предприятий, стремящихся к повышению эффективности и надежности своих производственных процессов.
Сроки: Доставка по России в среднем занимает от 3 до 10 рабочих дней, но может варьироваться в зависимости от региона. Для удалённых регионов, таких как Западная Якутия, сроки согласовываются индивидуально.
Условия отгрузки: Отгрузка с производства и передача в транспортную компанию осуществляется в день готовности заказа.
Способы доставки: Доставка осуществляется исключительно транспортными компаниями. Бесплатно доставляем заказ до терминала ТК.
Стоимость доставки: Рассчитывается индивидуально и зависит от региона, веса и габаритов товара.
Способы оплаты: Только безналичный расчёт.
Оплата производится согласно согласованным условиям поставки.
Если требуется дополнительная информация, уточните у нашего менеджера!
Вы выбираете нужную транспортную компанию, мы отправляем заказ, а вы забираете его с ближайшего терминала в вашем городе. Это удобно, если рядом с вами есть отделение — можно забрать в удобное время и не переплачивать за адресную доставку.
Не нужно думать, как организовать перевозку тяжелого оборудования — мы всё сделаем за вас. Привезём редуктор точно по адресу: на производство или прямо на объект. Учитываем особенности груза и условия транспортировки, чтобы доставка прошла быстро, удобно и без лишней суеты.
Для клиентов из Челябинска доступен самовывоз с терминала транспортной компании. Информация о дате и точке выдачи передаётся заранее. Процесс организован максимально просто и понятно: получение груза — без задержек и лишних действий.

Черепанов Антон Владимирович
Основатель компании
Луканина Наталья
Руководитель отдела продаж
Шишук Виктория
Руководитель фронт-линии
Сиражетдинов Дмитрий
Руководитель отдела клиентского сервиса
Снигир Олег
Ведущий менеджер по продажам
Киселев Егор
Менеджер по продажам
Друченко Александр
Менеджер по продажам
Новиков Максим
Менеджер по продажам
Тыщенко Иван
Менеджер по продажам
Уржунцев Александр
Менеджер по продажам
Вопрос-ответ
Читайте наши статьи о мотор-редукторах и их применении