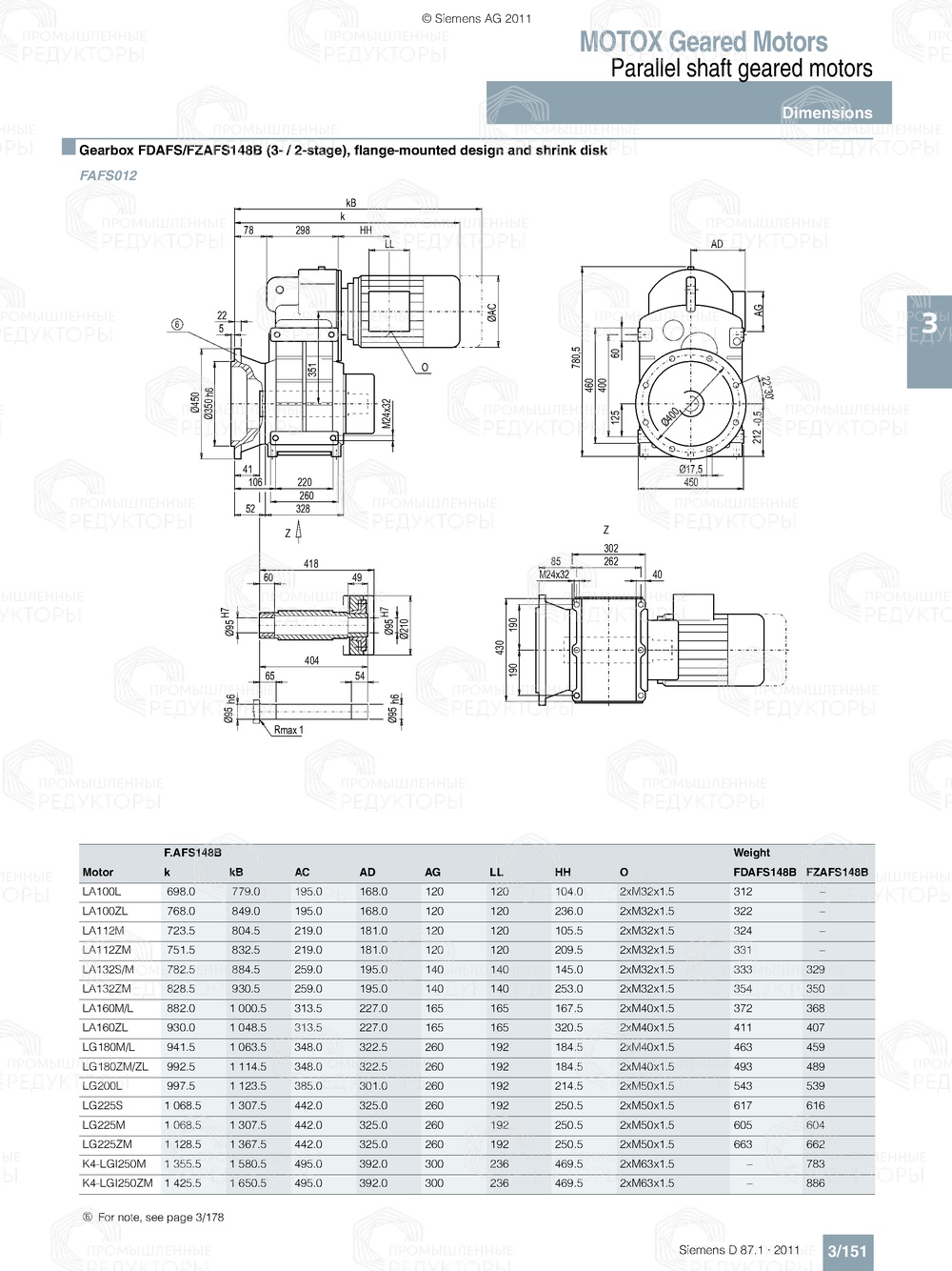
Цилиндрический мотор-редуктор Flender FDZ/FZZ148B
- Мощность двигателя, кВт от 0.75 до 45
- Обороты на выходе n вых, об/мин от 2.7 до 236
- Крутящий момент на вых. валу Тном, Нхм от 1425 до 18430
Производим редукторы под собственной маркой ПР - полные аналоги Flender FDZ/FZZ148B
- 95% совместимость без доработок
- Быструю поставку со склада
- Привлекательную цену без потери качеств
Редуктор FDZ/FZZ148B от немецкого производителя Flender представляет собой высокотехнологичное решение для передачи мощности в промышленных установках. Этот редуктор обладает уникальной конструкцией, обеспечивающей высокую надежность и долговечность. В основе его работы лежит использование высококачественных материалов и передовых технологий обработки, что позволяет достичь минимальных потерь энергии и максимальной эффективности работы. Редуктор FDZ/FZZ148B способен выдерживать значительные нагрузки, что делает его идеальным выбором для тяжелых условий эксплуатации. Благодаря точной настройке и использованию инновационных решений, редуктор обеспечивает стабильную работу оборудования, минимизируя риски поломок и снижая затраты на обслуживание.
Одним из ключевых преимуществ редуктора FDZ/FZZ148B является его способность к адаптации под различные условия эксплуатации. Благодаря гибкости конструкции и возможности интеграции с различными системами, редуктор может быть использован в широком спектре промышленных приложений. Высокий уровень защиты от внешних воздействий и устойчивость к коррозии обеспечивают долгий срок службы и минимальные затраты на техническое обслуживание. Редуктор FDZ/FZZ148B от Flender — это не просто механическое устройство, а надежный партнер для вашего бизнеса, обеспечивающий стабильную и эффективную работу оборудования в любых условиях. Высокое качество и инновационные технологии делают этот редуктор незаменимым элементом в современных промышленных системах.
Сроки: Доставка по России в среднем занимает от 3 до 10 рабочих дней, но может варьироваться в зависимости от региона. Для удалённых регионов, таких как Западная Якутия, сроки согласовываются индивидуально.
Условия отгрузки: Отгрузка с производства и передача в транспортную компанию осуществляется в день готовности заказа.
Способы доставки: Доставка осуществляется исключительно транспортными компаниями. Бесплатно доставляем заказ до терминала ТК.
Стоимость доставки: Рассчитывается индивидуально и зависит от региона, веса и габаритов товара.
Способы оплаты: Только безналичный расчёт.
Оплата производится согласно согласованным условиям поставки.
Если требуется дополнительная информация, уточните у нашего менеджера!
Доступные способы доставки
- Доставка до терминала в городе получателя
Вы выбираете нужную транспортную компанию, мы отправляем заказ, а вы забираете его с ближайшего терминала в вашем городе. Это удобно, если рядом с вами есть отделение — можно забрать в удобное время и не переплачивать за адресную доставку.
- Адресная доставка до получателя
Не нужно думать, как организовать перевозку тяжелого оборудования — мы всё сделаем за вас. Привезём редуктор точно по адресу: на производство или прямо на объект. Учитываем особенности груза и условия транспортировки, чтобы доставка прошла быстро, удобно и без лишней суеты.
- Самовывоз с терминала Деловые Линий или ПЭК в Челябинске
Для клиентов из Челябинска доступен самовывоз с терминала транспортной компании. Информация о дате и точке выдачи передаётся заранее. Процесс организован максимально просто и понятно: получение груза — без задержек и лишних действий.
Мотор-редуктор Flender FDZ-FZZ148B






Ключевые преимущества редукторов серии ПР
Видео-отзывы
Ознакомиться с отзывами
Команда экспертов
по приводной технике
Луканина Наталья
Руководитель отдела продаж
Шишук Виктория
Руководитель фронт-линии
Сиражетдинов Дмитрий
Руководитель отдела клиентского сервиса
Снигир Олег
Ведущий менеджер по продажам
Киселев Егор
Менеджер по продажам
Друченко Александр
Менеджер по продажам
Новиков Максим
Менеджер по продажам
Тыщенко Иван
Менеджер по продажам
Уржунцев Александр
Менеджер по продажам
Мы не просто продаём редукторы — нам доверяют, потому что решаем задачи быстро и точно
Вопрос-ответ
Читайте наши статьи о мотор-редукторах и их применении
Оставьте свои контактные данные и наши специалисты свяжутся с вами в течение 15 минут.