Конический мотор-редуктор Lenze GKR04 - купить в #CITY_NAME_PP# от производителя

Конический мотор-редуктор Lenze GKR04

Характеристики:
  • Мощность двигателя, кВт от 0.12 до 3
  • Обороты на выходе n вых, об/мин от 8.2 до 263
  • Крутящий момент на вых. валу Тном, Нхм от 10 до 250
Все характеристики
Оставить заявку
Возможна поставка только редукторной части без электродвигателя. Уточняйте у менеджеров более подробную информацию.

Производим редукторы под собственной маркой ПР - полные аналоги Lenze GKR04


  • 95% совместимость без доработок
  • Быструю поставку со склада
  • Привлекательную цену без потери качеств

Перейти к ПР 313
Получите бесплатную консультацию по подбору оборудования
Номер для связи:
WhatsApp и Telegram
Описание
Характеристики
Доставка и оплата
Аналоги
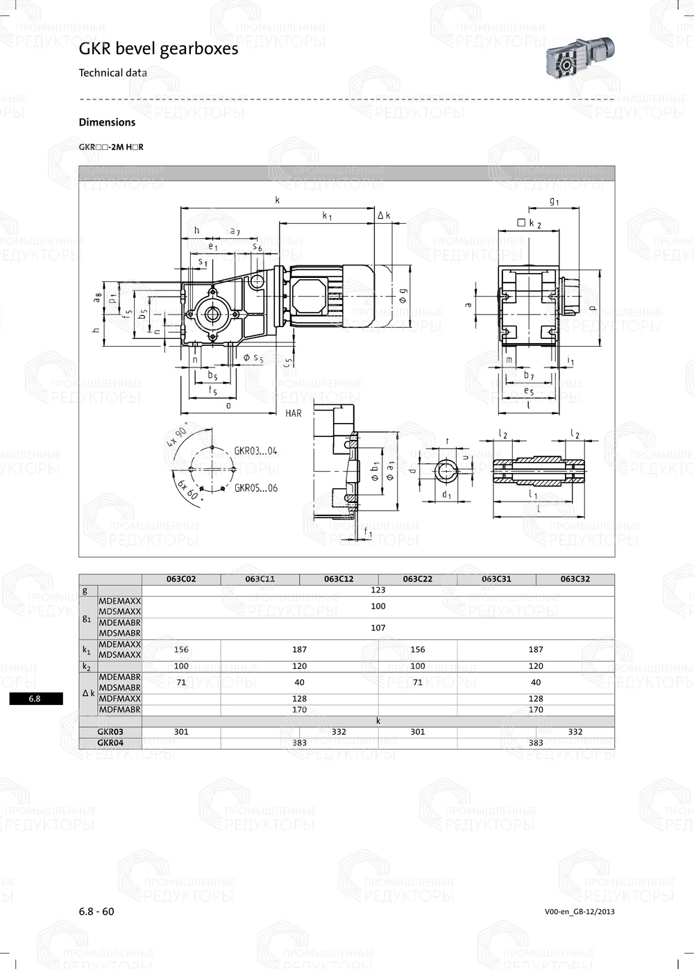
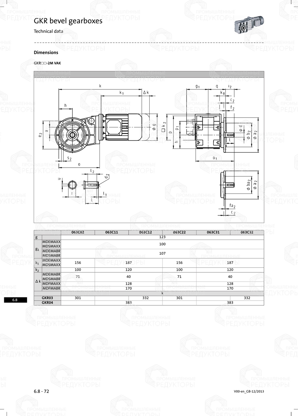
Техническая документация
Чертеж

Редуктор GKR04 от производителя Lenze (Германия) представляет собой высокотехнологичное решение для передачи мощности в различных промышленных приложениях. Этот механизм обеспечивает высокую эффективность благодаря использованию конических шестерен, которые минимизируют потери энергии и повышают общую производительность системы. Редуктор GKR04 обладает широким диапазоном передаточных чисел, что позволяет адаптировать его под разнообразные задачи, требующие точной настройки скорости и крутящего момента. Конструкция редуктора включает в себя высококачественные материалы, обеспечивающие долговечность и надежность в эксплуатации. Встроенные системы смазки и охлаждения гарантируют стабильную работу даже в условиях повышенных нагрузок и температур.

Одним из ключевых преимуществ редуктора GKR04 является его компактность и легкость установки, что позволяет интегрировать его в существующие производственные линии без значительных изменений. Редуктор Lenze GKR04 также отличается низким уровнем шума и вибраций, что особенно важно для рабочих условий, требующих минимального уровня акустического и механического воздействия. Высокая степень защиты IP65 обеспечивает защиту от пыли и влаги, что делает редуктор GKR04 идеальным выбором для использования в агрессивных средах. В комплекте с редуктором поставляются все необходимые крепежные элементы и инструкции по монтажу, что упрощает процесс установки и настройки. Редуктор GKR04 от Lenze — это надежное и эффективное решение для повышения производительности и надежности вашего оборудования.

Мощность двигателя, кВт от 0.12 до 3
Обороты на выходе n вых, об/мин от 8.2 до 263
Крутящий момент на вых. валу Тном, Нхм от 10 до 250
Передаточное число, U от 5.4 до 106.4
Консольная нагрузка Fном, Н от 2000 до 6610
Сервис-фактор, Sfном от 0.8 до 16
Доставка

Сроки: Доставка по России в среднем занимает от 3 до 10 рабочих дней, но может варьироваться в зависимости от региона. Для удалённых регионов, таких как Западная Якутия, сроки согласовываются индивидуально.

Условия отгрузки: Отгрузка с производства и передача в транспортную компанию осуществляется в день готовности заказа.

Способы доставки: Доставка осуществляется исключительно транспортными компаниями. Бесплатно доставляем заказ до терминала ТК.

Стоимость доставки: Рассчитывается индивидуально и зависит от региона, веса и габаритов товара.

Оплата

Способы оплаты: Только безналичный расчёт.

Оплата производится согласно согласованным условиям поставки.

Если требуется дополнительная информация, уточните у нашего менеджера!

Доступные способы доставки

  1. Доставка до терминала в городе получателя

    Вы выбираете нужную транспортную компанию, мы отправляем заказ, а вы забираете его с ближайшего терминала в вашем городе. Это удобно, если рядом с вами есть отделение — можно забрать в удобное время и не переплачивать за адресную доставку.

  2. Адресная доставка до получателя

    Не нужно думать, как организовать перевозку тяжелого оборудования — мы всё сделаем за вас. Привезём редуктор точно по адресу: на производство или прямо на объект. Учитываем особенности груза и условия транспортировки, чтобы доставка прошла быстро, удобно и без лишней суеты.

  3. Самовывоз с терминала Деловые Линий или ПЭК в Челябинске

    Для клиентов из Челябинска доступен самовывоз с терминала транспортной компании. Информация о дате и точке выдачи передаётся заранее. Процесс организован максимально просто и понятно: получение груза — без задержек и лишних действий.

Транспортные компании

Мотор-редуктор Lenze GKR04

Lenze GKR04
Lenze GKR04
Lenze GKR04
Lenze GKR04
Lenze GKR04
Lenze GKR04
Lenze GKR04
Lenze GKR04
Lenze GKR04
Lenze GKR04
Lenze GKR04
Lenze GKR04
Lenze GKR04
Lenze GKR04
Lenze GKR04
Lenze GKR04

Ключевые преимущества редукторов серии ПР

Закалённые шестерни - твёрдость 56-62 HRC
Высокочастотная закалка и цементация повышают прочность и износостойкость зубчатых передач.
Идеальная геометрия зацепления - 6-я степень точности
Шлифовка зубьев обеспечивает высокую точность зацепления (6-я степень), снижает шум и вибрации и делает работу редуктора более плавной и стабильной.
Долговечность - 7-10 лет срока службы
Средний срок эксплуатации редукторов серии ПР составляет 7–10 лет 
при правильной эксплуатации.
Инженерная поддержка 
и документация
Предоставляем 3D-модели, подробную техническую документацию и чертежи 
на нашу продукцию - удобно для проектирования, согласований 
и замены оборудования.

Команда экспертов
по приводной технике

Наши менеджеры специализируются на подборе редукторов под ваши задачи. В среднем 4 из 5 технических вопросов вы сможете решить напрямую с персональным менеджером. Если ситуация требует более глубокого анализа - мы оперативно подключаем инженера.

Мы не просто продаём редукторы — нам доверяют, потому что решаем задачи быстро и точно

Быстрый и беcплатный подбор редукторов от 1 часа
Быстрый и беcплатный подбор редукторов от 1 часа
Расчеты делают инженеры с опытом 10+ лет в отрасли.
Доставка точно в срок
Доставка точно в срок
Бесплатно упакуем в усиленную обрешетку
и доставим до терминала ТК.
Гарантия 24 месяцев и полная ответственность за заводской брак
Гарантия 24 месяцев и полная ответственность за заводской брак
Осуществим ремонт и послепродажное обслуживание.

Вопрос-ответ

Какие меры необходимы для увеличения срока службы редуктора?
Для продления срока службы редуктора рекомендуется соблюдать режимы работы, регулярно проводить техническое обслуживание и использовать рекомендованное масло. Наши редукторы поставляются с инструкциями по обслуживанию, чтобы обеспечить надежную и долговечную работу.
Как выбрать редуктор, подходящий для конкретного оборудования?
При выборе редуктора важно учитывать такие параметры, как мощность, передаточное число, тип нагрузки и условия эксплуатации. Наши специалисты помогут вам подобрать оптимальный редуктор для вашего оборудования, учитывая все особенности и требования.

Читайте наши статьи о мотор-редукторах и их применении

Подберём редуктор под вашу задачу
80% технических вопросов решаются сразу, при необходимости быстро подключаем инженера.

Оставьте свои контактные данные и наши специалисты свяжутся с вами в течение 15 минут.
Оформить заявку
Максим Новиков
Менеджер по подбору редукторов с опытом более 5 лет.

Мы используем cookies

Мы используем cookies для улучшения работы сайта и предоставления персонализированного контента. Продолжая использовать наш сайт, вы соглашаетесь на использование cookies. Подробности можно найти в Политике конфиденциальности.